Dr. E Manuals
Honda VFR1200F FD 2010 Onwards Service Manual
Honda VFR1200F FD 2010 Onwards Service Manual
Couldn't load pickup availability
Honda VFR1200F FD 2010 Onwards Service / Repair / Workshop Manual
Instant download after purchase, in PDF form, NOT a physical book.
This manual contains 592 pages in English Language, it is the only manual you will require to maintain and repair your Honda VFR, using this manual you ensure that your motorbike is repaired to manufacturer standards / specification, whether you are using OEM or genuine Honda Parts.
Suits Models from 2010 onwards.
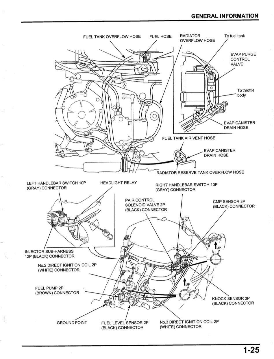
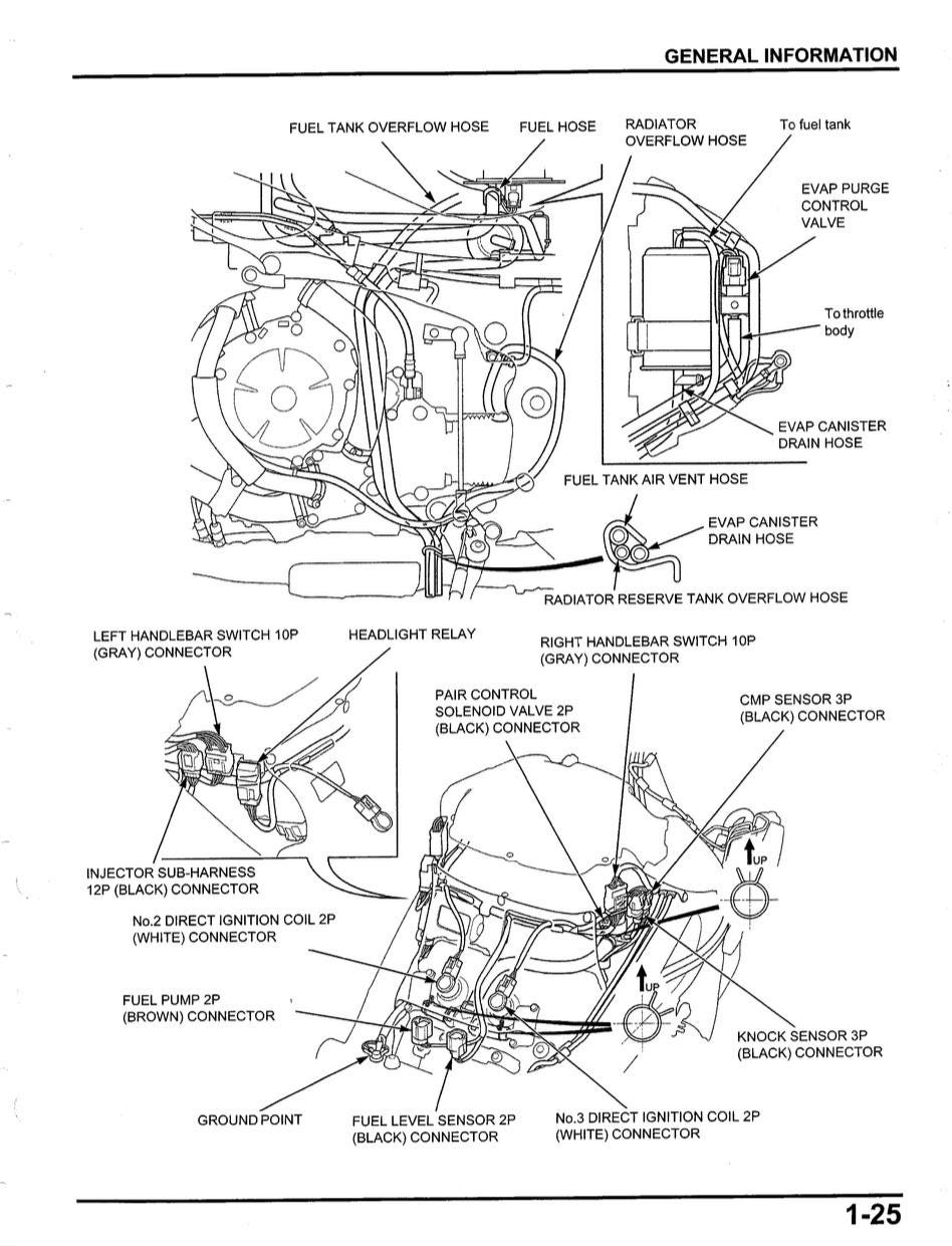
Sample pages and table of contents can be seen in the third product picture, please make sure you are happy with the quality of the manuals before purchasing.
Features Chapters: General Information, Technical Features, Frame/Body Panels/Exhaust System, Maintenance, Lubrication System, Fuel System (PGM-FI), Cooling System, Engine Removal/Installation, Cylinder Head/Valves, Clutch/Gearshift Linkage, Alternator/Starter Clutch, Crankcase/Transmission, Crankshaft/Piston/Cylinder, Final Drive, Front Wheel/Suspension/Steering, Rear Wheel/Suspension, Hydraulic Brake, Anti-Lock Brake System (ABS), Battery/Charging System, Ignition System, Electric Starter, Lights/Meters/Switches, Wiring Diagrams, Troubleshooting, Index
If you have any issues downloading/accessing your manual, please contact us so we can fix this for you.
Share

-
Manual Sourcing
We strive to use freely available sources. Some manuals may be scans or photocopies of older originals. Sample previews are shown on the product page, please review them before purchase to ensure quality meets your needs.
-
Copyright
This material is shared in accordance with the GNU General Public License (GPL), GNU Lesser General Public License (LGPL), or designated as Freeware, all of which allow free and open distribution. Additional information is available on our Copyright & Content Disclaimer Page
-
Refunds
Due to the nature of digital products, all sales are final. We recommend reviewing the sample preview on the product page to ensure the manual meets your expectations before purchase. Refunds will not be issued for issues related to content quality already disclosed or shown in the preview.